/ 课程向  

乘法器电路总结

乘法器电路总结

1 乘法器基础

1.1 开关函数

单向开关函数(阶跃函数ε(t)πδ(ω)+1jω\varepsilon(t)\longleftrightarrow\pi\delta(\omega)+\frac{1}{j\omega}

K1(ωct)={1,uc>0,0,uc<0.=12+2πcosωct23πcos3ωct+\begin{aligned} K_1(\omega_c t)=&\left\{\begin{array}{ll} 1, & u_c>0,\\ 0, & u_c<0.\\ \end{array}\right.\\ =&\frac{1}{2}+\frac{2}{\pi}\cos\omega_c t-\frac{2}{3\pi}\cos 3\omega_ct+\ldots \end{aligned}

双向开关函数(符号函数sgn(t)2jω\mathrm{sgn}(t)\longleftrightarrow\frac{2}{j\omega}

K2(ωct)={1,uc>0,1,uc<0.=4πcosωct43πcos3ωct+\begin{aligned} K_2(\omega_c t)=&\left\{\begin{array}{ll} 1, & u_c>0,\\ -1, & u_c<0.\\ \end{array}\right.\\ =&\frac{4}{\pi}\cos\omega_c t-\frac{4}{3\pi}\cos 3\omega_ct+\ldots \end{aligned}

1.2 频域分析与滤波

  • 窄带滤波器:LCLC并联谐振回路ω0=ωc\omega_0=\omega_cBWBPF=2Ω\mathrm{BW}_{BPF}\boldsymbol{=}2\Omega

    uAM=ReIc1m[1+0.707g1uΩmIc1mcos(Ωtπ4)]cosωctu_{AM}=R_eI_{c1m}\left[1+\boldsymbol{0.707}\frac{g_1u_\Omega m}{I_{c1m}}\cos\left(\Omega t\boldsymbol{-\frac{\pi}{4}}\right)\right]\cos\omega_c t

  • 宽带滤波器:LCLC并联谐振回路ω0=ωc\omega_0=\omega_cBWBPF2Ω\mathrm{BW}_{BPF}\boldsymbol{\gg}2\Omega

    uAM=ReIc1m[1+g1uΩmIc1mcos(Ωt)]cosωctu_{AM}=R_eI_{c1m}\left[1+\frac{g_1u_\Omega m}{I_{c1m}}\cos\left(\Omega t\right)\right]\cos\omega_c t

1.3 大小信号的区分

1.3.1 调幅

UcmUΩmU_{cm}\gg U_{\Omega m}

  • 调制信号 uΩ=UΩmcosΩtu_\Omega=U_{\Omega m}\cos \Omega t
  • 载波 uc=Ucmcosωctu_c=U_{cm} \cos \omega_ct

1.3.2 检波/解调

UlmUsmU_{lm}\gg U_{sm}

  • 中频已调波 us=UsmcosΩtcosωctu_s=U_{sm}\cos \Omega t\cos\omega_ct
  • 本振信号 ul=Ulmcosωctu_l=U_{lm}\cos \omega_ct

1.3.3 混频

UlmUsmU_{lm}\gg U_{sm}

  • 中频已调波 us=Usmcosωctu_s=U_{sm}\cos\omega_ct
  • 本振信号 ul=Ulmcosωltu_l=U_{lm}\cos \omega_lt

1.4 利用开关函数来解决各种形式的线性时变调幅的步骤

  1. 判断当uc0u_c\gtrless 0时,ic(uo)i_c(u_o)的表达式。

  2. 利用单向/双向开关函数将ic(uo)i_c(u_o)的分段函数化为一个整体表达式。

  3. ic(uo)i_c(u_o)的表达式中出现cosωct\cos \omega_c tcosΩt\cos \Omega t的乘积项,则说明可以实现振幅调制。

  4. 代入开关函数,利用和差化积、积化和差等找到表达式中的普通调幅信号或双边带调幅信号。

  5. 合理选择中心频率和带宽,使其完成调幅,获得已调波的表达式。

2 晶体管

2.1 概念

  • 非线性电路调幅中的晶体管放大器可以直接应用于线性时变电路调幅 ,除了控制调制信号是小信号而载波是大信号以外,如果晶体管是线性器件,即其转移特性在放大区线性较好,则需要使晶体管轮流工作在放大区和截止区才能对信号做非线性变换
  • 为了提高交流输出的功率和效率,电路一般将直流静态工作点设置在放大区和截止区之间的临界位置
  • 线性时变电路调幅可以利用这些特点近似分析输出电流,既而对输出电流滤波产生输出电压,得到调幅信号。

2.2 具体电路

2.2.1 uΩu_\Omegaucu_c都接在基极,共射组态

ic=gm(uΩ+uc)k1(ωct)i_c=g_m(u_\Omega+u_c)k_1(\omega_ct)

PNP_B

2.2.2 uΩu_\Omegaucu_c 都接在射极 ,共基组态

ic=gm(uc+uΩ)(k1(ωct)1)i_c=g_m(u_c+u_\Omega)(k_1(\omega_ct)-1)

PNP_E

2.2.3 ulu_l在基极,usu_s在射极(防止频率牵引导致不稳定)

ic=gm(ulus)k1(wlt)i_c=g_m(u_l-u_s)k_1(w_lt)

PNP_seperate

3 场效应管

3.1 概念

  • 场效应管放大器的线性时变电路调幅与晶体管放大器的线性时变电路调幅有类似的电路结构。

  • 场效应管是非线性器件,其转移特性在恒流区即为非线性,只要调制信号是小信号而载波是大信号,即使一直工作在恒流区, 放大器也可以实现线性时变电路调幅

  • 电路可以将直流静态工作点设置在场效应管的恒流区和截止区之间的临界位置,这时可以利用单向开关函数分析输出电流。

3.2 具体电路(暂略)

4 差分对放大器

4.1 概念

  • 当差动放大器实现线性时变电路调幅时,调制信号和载波可以分别作为电流源的控制电压和差模输入电压,不必叠加输入。在这种分置电压的设计中,调制信号是小信号而载波是大信号不是必要条件。
  • 同时,差动放大器中的两个晶体管是非线性器件,它们始终导通,不在导通和截止之间转换工作状态。
  • 开关函数的引入:
    • 当差模输入电压um<UTu_m<U_T时,tanhu2UTu2UT\tanh \frac{u}{2U_T}\approx \frac{u}{2U_T}
    • 当差模输入电压um>4UTu_m>4U_T时,tanhu2UTk2(wct)\tanh \frac{u}{2U_T}\approx k_2(w_ct)
    • 之间展开为傅里叶级数。

4.2 具体电路

4.2.1、4.2.2、4.2.4中,ucu_cuΩu_\Omega分别作为共模或差模输入时没有大小信号之分;但对于图4.2.3,这里ucu_cuΩu_\Omega作为差模的两个端输入,则需要区分大小信号。

4.2.1 ucu_c 为差模、uΩu_Ω 控制共模,且单端输出

chafendui_1

ic1=UEEUBE(on)2RE(1+tanhuc2UT)+12RE(1+tanhuc2UT)uΩi_{c1}=\frac{U_{EE}-U_{BE(on)}}{2R_E}(1+\tanh\frac{u_c}{2U_T})+\frac{1}{2R_E}(1+\tanh\frac{u_c}{2U_T})u_\Omega

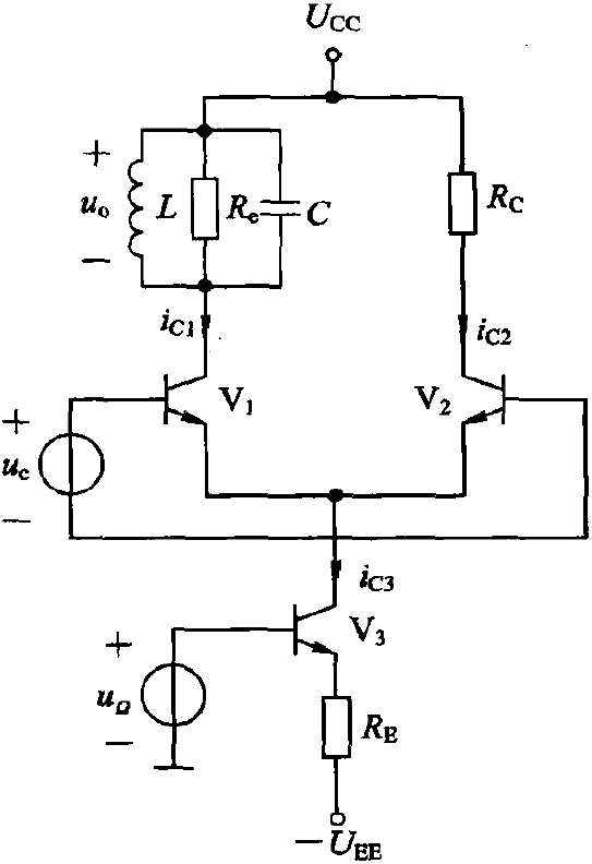
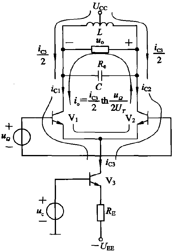
4.2.2 uΩu_\Omega 为差模、ucu_c 控制共模,且双端输出

chafendui_2

io=ic32tanhuΩ2UTi_o=\frac{i_{c3}}{2}\tanh\frac{u_\Omega}{2U_T}

4.2.3 uΩ,ucu_\Omega,u_c串联

chafendui_3

4.2.4 吉尔伯特乘法单元

chafendui_4

io=Io2tanhus2UTtanhul2UTi_o=\frac{I_o}{2}\tanh\frac{u_s}{2U_T}\tanh\frac{u_l}{2U_T}

  • 当小信号Usm<UTU_{sm}<U_T

    io=Io2us2UTtanhul2UTi_o=\frac{I_o}{2} \frac{u_s}{2U_T}\tanh\frac{u_l}{2U_T}

  • 进一步当Ulm>4UTU_{lm}>4U_T

    io=Io2us2UTk2(ωlt)i_o=\frac{I_o}{2} \frac{u_s}{2U_T}k_2(\omega_lt)

5 二极管

5.1 概念

  • 当二极管用于线性时变电路调幅时,要求调制信号是小信号,载波是大信号,载波控制二极管的导通与截止,且载波的振幅明显大于二极管的导通电压,二极管的工作状态基本随着载波的正负而改变。

  • 当二极管导通时,

    1. 如果电路对调制信号或载波等效为二极管与负载电阻串联,则因为二极管的交流电阻远小于负载电阻,调制信号或载波几乎全部加到负载电阻上;
    2. 如果等效电路中只有导通的二极管而没有负载电阻,则调制信号或载波全部加到二极管上。

5.2 具体电路

5.2.1 单二极管(4种)

VD_singal

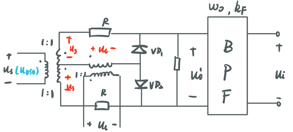
5.2.2 双二极管(2+2+1)

  1. 双二极管同向

    VD_double1

  2. 双二极管反向

    VD_double2

  3. 双二极管面对面

    VD_double3

    uo=2usk1(ωlt)u'_o=2u_sk_1(\omega_lt)

5.2.3 二极管环形乘法器(2种形式)

VD_4

任选两输入、一输出

本文标题:乘法器电路总结

文章作者:Levitate_

发布时间:2020年10月28日 - 21:45:39

原始链接:https://levitate-qian.github.io/2020/10/29/RF-multiplier/

许可协议: 署名-非商业性使用-禁止演绎 4.0 国际 转载请保留原文链接及作者。